Automatisation
Coffret de contrôle et commande
Nous réalisons en interne la majeure partie de l'électrification de nos machines. Ainsi, nous sommes en mesure de maîtriser l'ensemble des aspects techniques et de produire des solutions clefs en mains!
La plupart de nos installations ne nécessitant pas d'automate, nous sommes en mesure de vous proposer des coûts maîtrisés! En nous faisant confiance sur la globalité de votre réalisation, vous vous assurez un résultat maîtrisé!
Nos armoires sont conçues essentiellement à base de composants standards et de grandes marques.
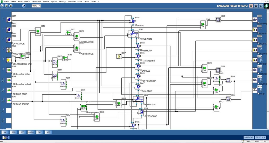
Automatisme et programmation
Nous maîtrisons en interne la gamme d'automate ZELIO, ceci nous permet de proposer des machines autonomes, intégrables sur des lignes existantes, sans modification lorsque c'est possible.
Nos machines sont également raccordables entre elles de manière à pouvoir communiquer lors des passages de lots ou colis.
Ces solutions sont industrielles et très accessibles économiquement!






